About Us
Meet the world’s leading steel and mining company.
Go to About Us
Products
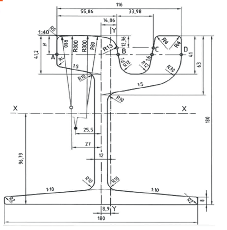
As a leading rail producer, we offer a wide portfolio of solutions for railways, subways, tramways, light-rail tracks, crossings, crane rails and rail components. We complete our offer with special products such as cathode bars, track shoes and mining sections.
Go to Produts
Profiles
Rails manufactured by ArcelorMittal are supplied worldwide for high-speed rail and heavy transport, urban transport, light transport solutions and port, terminal and infrastructure projects.
Go to Profiles
Catalogues
Download our catalogues in your language
Go to Catalogues
News & Media
Find out the latest news, videos and events
Go to News & Media
Project gallery
Learn about latest projects and end applications with our Rails
Go to Project gallery
Digital tools
Discover our Rail 4.0 digital tools
Go to Digital Tools
This website uses cookies so that we can provide you with the best user experience possible. Cookie information is stored in your browser and performs functions such as recognising you when you return to our website and helping our team to understand which sections of the website you find most interesting and useful.
Strictly Necessary Cookie should be enabled at all times so that we can save your preferences for cookie settings.
This website uses Google Analytics to collect anonymous information such as the number of visitors to the site and the most popular pages.
Keeping this cookie enabled helps us improve our website.
More information about our Cookie Policy