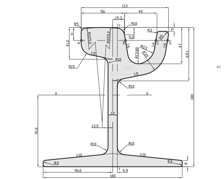
Profile 59R1 (Ri59) rail:

Description:
Rail profile 59R1 (Ri59) manufacture according European Standard EN 14811, within G or R tolerance group manufacturing categories. These group categories are involved in measuring rail verticality which becomes of importance for adjusting track width, embedding material interaction and to have best rail/wheel contact performance.
Dimensions:
| Profile | Standard | Dimensions mm | Tolerance | Weight | ||||||
|---|---|---|---|---|---|---|---|---|---|---|
| H | B | C | C1 | C2 | E | R | kg/m | |||
| 59R1 (Ri59) | EN 14811 | 180,00 | 180,00 | 113,00 | 56,00 | 42,00 | 12 | 10/225 | G or R | 58,97 |