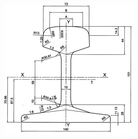
Perfil del carril 50E2 (50EB-T)

Descripción:
El Carril 50E2 (50EB-T) está desarrollado en base a la norma europea EN 13674-1, con una masa de 49,97 kg por metro.
Dimensiones:
| Perfil | Norma | Dimensiones mm | Sección S | Masa m | ||||
|---|---|---|---|---|---|---|---|---|
| H | B | C | D | E | cm² | kg/m | ||
| Norma Europea EN 13674-1 | ||||||||
| 50E2 (50EB-T) | EN 13674 – 1 | 133,40 | 117,50 | 63,50 | 42,50 | 13,10 | 50,66 | 49,97 |